НАШИ НОВОСТИ

 

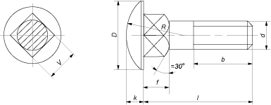
Болт с увеличенной полукруглой головкой и квадратным подголовником3011 ГОСТ 7802-81

Болт ГОСТ 7802-81 с квадратным подголовником, предотвращающим проворачивание болта, применяется:

  • для скрепления деревянных и строительных конструкций в мебельной и строительной промышленности;
  • в монтаже дорожных и мостовых ограждений (болт М16 х 45);
  • для крепления узлов и деталей в машиностроении.

Марки стали:  10кп, 20кп.
Класс точности: C.
Поле допуска резьбы: 8g.
Класс прочности: 4,8; 5,8.

Дополнительные товары при использовании болта в монтаже дорожных и мостовых ограждениях:

  • Болт с шестигранной головкой и неполной резьбой ГОСТ 7798-70, ГОСТ 7805-70.
  • Гайка шестигранная высокопрочная ГОСТ 5915-70.

Близкие аналоги (ISO, DIN, EN ISO):

Стандарт

Наименование

Примечание

DIN 603

Болт мебельный с полукруглой головкой и квадратным подголовником

Согласно DIN 603 параметры головки незначительно выше аналогичных параметров ГОСТ 7802-81.

ГОСТ 7802-81

Параметры болта

Номинальный диаметр резьбы d

М5

М6

М8

М10

М12

M16

М20

М24

Шаг резьбы, P

0,8

1

1,25

1,5

1,75

2

2,5

3

Диаметр головки, D

11

14

18

23

28

35

44

52

Высота головки, k

2,5

3

4

5

6

8

10

12

Радиус сферы, R

8

11

14

18

22

26

32

39

Размер стороны квадартного подголовника, V

5

6

8

10

12

16

20

24

Высота подголовка f, не менее

3

4

5

6

8

10

12

15

Длина резьбовой части, b

L≤120

16

18

22

26

30

38

46

54

L>120

     

32

36

44

52

60

Все параметры в таблице указаны в мм.

Длина болта l, мм

Теоретическая масса 1000 шт. болтов, кг. при номинальном диаметре резьбы d

М5

М6

М8

М10

М12

M16

М20

М24

12

2,699

4,612

           

14

2,936

4,95

10,1

19,39

       

16

3,172

5,288

10,71

21,34

       

20

3,644

5,964

11,94

23,79

34,76

     

25

4,235

6,809

13,48

26,22

38,3

75,6

133,4

 

30

4,825

7,655

15,02

28,67

41,84

82,13

143,6

 

35

5,416

8,5

16,56

31,11

45,38

88,66

153,8

 

40

6,006

9,345

18,1

33,55

48,92

95,18

164,1

 

45

6,596

10,196

19,64

35,99

52,46

101,71

174,3

 

50

7,187

11,036

21,18

38,44

56

108,24

184,5

 

55

7,746

11,881

22,72

40,88

59,54

114,77

194,8

 

60

8,336

12,726

24,26

43,32

63,08

121,23

205

 

65

8,926

13,574

25,8

45,76

66,62

127,82

215,2

 

70

9,516

14,417

27,34

48,2

70,17

134,35

225,5

 

75

 

15,262

28,88

50,65

73,71

140,87

235,7

366,4

80

 

16,107

30,42

55,53

77,25

147,4

245,9

381,2

90

 

17,798

33,5

60,41

84,33

160,45

266,4

410,6

100

 

19,488

36,57

65,3

91,41

173,51

286,9

440,1

110

   

39,65

70,18

98,49

186,56

307,4

469,6

120

   

42,73

75,1

105,57

199,62

327,8

499

130

   

45,81

79,95

112,65

212,67

348,3

528,5

140

   

48,89

84,84

119,73

225,72

368,8

558

150

   

51,97

89,72

126,81

238,78

389,2

587,4

160

   

55,05

94,61

133,89

251,83

409,7

616,9

170

   

58,13

99,49

140,97

264,87

430,2

646,4

180

   

61,21

104,37

148,05

277,94

450,6

675,8

190

   

64,29

109,26

155,13

290,99

471,1

705,3

200

   

67,37

119,02

162,22

304,04

491,6

734,8

220

   

73,53

128,79

176,38

330,15

532,6

793,8

240

     

138,56

190,54

366,26

573,6

852,8

260

       

204,7

382,37

614,6

911,8

Дополнительную информацию о технических характеристиках болта можно получить у менеджеров компании